Выбор типа нарезного оружия (полуавтомат, штуцер, болт)
- ORA
- Карельско-московский модератор форума
- Сообщения: 23531
- Зарегистрирован: 07 окт 2010, 18:48, Чт
- Оружие: Гладкоствольное, нарезное.
- Собака: Была.
- Любимый вид охоты: На лося.
- Имя: Рома
- Откуда: Москва
Re: Выбор типа нарезного оружия (полуавтомат, штуцер, болт)
Надежен и прост. :a_g_a:  Два выстрела подряд очень быстро можно производить.
			
			
									
									
						- 
				Jagdtmen
- Друг охотника
- Сообщения: 44
- Зарегистрирован: 07 май 2012, 21:21, Пн
- Оружие: ??? Тоз-34
- Собака: ????? ?? ??
- Любимый вид охоты: Ходовая
- Имя: Игорь
- Откуда: Петрозаводск
Re: Выбор типа нарезного оружия (полуавтомат, штуцер, болт)
Когда мечта есть и жить легчеORA писал(а):Я думаю гораздо дороже, сейчас. Я даже не узнавал. Все равно возможности купить нет. Мечта.geometr писал(а):300

А мечты как известно - сбываются
- Reanimatolog
- Модератор форума "Охота в Карелии"
- Сообщения: 14776
- Зарегистрирован: 14 сен 2010, 13:56, Вт
- Оружие: копьё, рогатка и палица
- Собака: теперь только на себя надежда
- Любимый вид охоты: С ручной лисой на лося, рябчика на тяге, кабана на вабу.
- Имя: Борис
- Откуда: Петрозаводск
Re: Выбор типа нарезного оружия (полуавтомат, штуцер, болт)
Куда ж без него? Но технический прогресс это не всегда усложнение конструкции. Мне больше всего из всех критериев оценки импонирует система оценки и управления рисками. Так вот, риск отсутствия второго выстрела из полуавтомата выше, чем из болта. Риск непопадания в цель выше. Риск отказа оборудования за счёт большего числа движущихся деталей выше.geometr писал(а):ORA и Вы и уважаемый Reanimatolog, всегда и везде выступаете за технический прогресс
Поэтому в данном случае технический прогресс для меня это прежде всего технологичность. То есть, перво-наперво замена дымного пороха современным нитроцеллюлозным, замена чугунного и медного ствола стальным из современной ствольной стали, замена деревянного приклада пластиковым.
Но всё же, уважаемый geometr, вы правы, что мои суждения достаточно субъективны и не могут считаться критерием истины. Тем не менее, думаю, что наша дискуссия крайне полезна, поскольку приводимые аргументы имеют значение, объясняют наши точки зрения и, возможно, помогут кому-то определиться.
- ORA
- Карельско-московский модератор форума
- Сообщения: 23531
- Зарегистрирован: 07 окт 2010, 18:48, Чт
- Оружие: Гладкоствольное, нарезное.
- Собака: Была.
- Любимый вид охоты: На лося.
- Имя: Рома
- Откуда: Москва
Re: Выбор типа нарезного оружия (полуавтомат, штуцер, болт)
Когда мечта есть и жить легче
Точно! Причем раньше эта модель была в продаже. На память дороже р8. И возможность была подкопить и приобрести, но тогда я хотел именно винтовку р8. А щас поезд ушел, но может и вернется когда-нибудь...
- rau.pavel
- Охотник
- Сообщения: 302
- Зарегистрирован: 23 июл 2015, 20:09, Чт
- Оружие: MP-153;вепрь-1в(129-02)7.62-54
- Собака: Зсл и карело финская
- Любимый вид охоты: Глухарь на току,осенняя с собакенами
- Имя: Павел
- Откуда: Петрозаводск
Re: Выбор типа нарезного оружия (полуавтомат, штуцер, болт)
Товарищи охотники вы больше 2 выстрелов когда-нибудь делали? Больше 2 это в догонку , и мне кажется что болт самое то,вес , и точность ,первый попал 2 добил  и важное какой калибр. С скс 39 патроном можно и второй магазин зарезать если стрелять не умеешь
  и важное какой калибр. С скс 39 патроном можно и второй магазин зарезать если стрелять не умеешь
			
			
									
									
						 и важное какой калибр. С скс 39 патроном можно и второй магазин зарезать если стрелять не умеешь
  и важное какой калибр. С скс 39 патроном можно и второй магазин зарезать если стрелять не умеешь- Александр Ш
- Охотовед
- Сообщения: 3844
- Зарегистрирован: 02 мар 2011, 21:14, Ср
- Оружие: разное - 8 стволов на 5 единиц
- Собака: сейчас нет
- Любимый вид охоты: на носорогов
- Откуда: Петрозаводск
Re: Выбор типа нарезного оружия (полуавтомат, штуцер, болт)
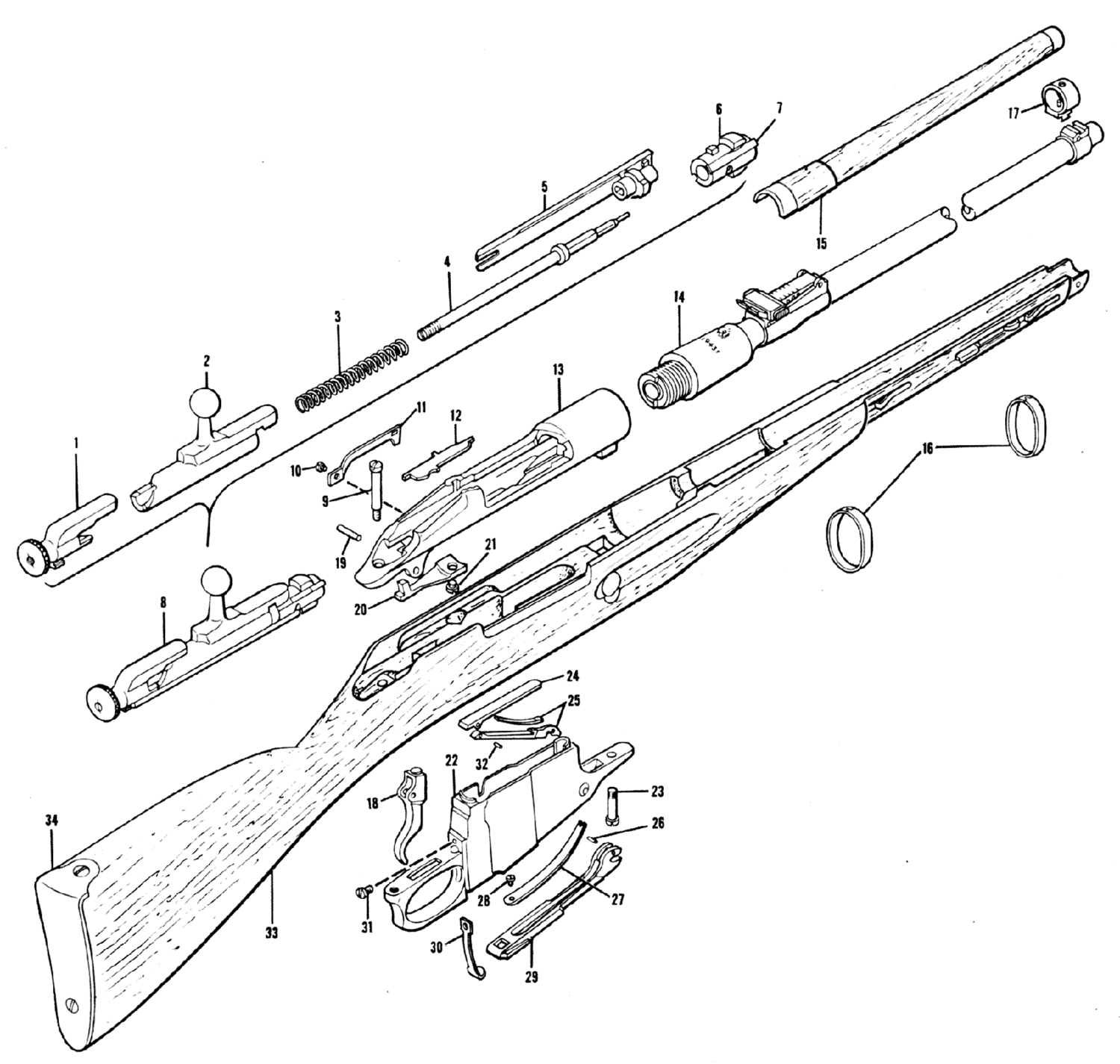
Борис, ты тут хеджированием рисков занимаешься, тебе интересны будут две нижеприведённые схемы.Reanimatolog писал(а): Риск отказа оборудования за счёт большего числа движущихся деталей выше. .
На первой,взрыв-схема СКСа и целая куча деталей, аж 34 штуки!
На второй, взрыв-схема Мосинки. И о ужас! Тоже 34 детали!

One shot, one kill, no luck, just skill.
						- 
				fotohunter
- Охотник
- Сообщения: 126
- Зарегистрирован: 06 июл 2013, 15:58, Сб
- Оружие: Nikon D5100
- Собака: не охотничья
- Любимый вид охоты: c фотоаппаратом
- Имя: Шрайбикус
Re: Выбор типа нарезного оружия (полуавтомат, штуцер, болт)
Александр, хороший ход.   
 
Но на риск отказа наибольшее влияние имеют подвижные части. Сравним, сколько их у СКСа и мосинки?
И, кстати, за СКСом не зря закреплена слава относительно безотказного оружия. А вот калашмоиды... Сколько там подвижных деталей?
			
			
									
									
						 
 Но на риск отказа наибольшее влияние имеют подвижные части. Сравним, сколько их у СКСа и мосинки?
И, кстати, за СКСом не зря закреплена слава относительно безотказного оружия. А вот калашмоиды... Сколько там подвижных деталей?
- Александр Ш
- Охотовед
- Сообщения: 3844
- Зарегистрирован: 02 мар 2011, 21:14, Ср
- Оружие: разное - 8 стволов на 5 единиц
- Собака: сейчас нет
- Любимый вид охоты: на носорогов
- Откуда: Петрозаводск
Re: Выбор типа нарезного оружия (полуавтомат, штуцер, болт)
А вот и не будемfotohunter писал(а):. Сравним, сколько их у СКСа и мосинки?
 
   
 Видел я,что Борис на подвижные детали ссылается.
 
 Но тут можно с другой стороны подойти. С точки зрения изготовления изделия по критерию качества проблемы могут возникнуть и у той и у другой группы оружия-количество деталей ведь схожее. С точки зрения критерия надёжности-та же история: оружие идёт в серию только после испытаний, в том числе на надёжность. Если мы говорим про отечественные п\а, то их надёжность обусловлена огромными допусками при изготовлении и традиционно косячное российское производство способно выдержать эти допуски а значит и обеспечить заявленную надёжность. Если мы говорим про импорт, то при соблюдении всех условий эксплуатации производитель гарантирует безотказную работу своего изделия, а значит что? Правильно-обеспечить заявленную надёжность. Всё то же самое можно сказать и про болты. Мы же применяем критерии эксплуатации в российских реалиях: залез в болото, проехал 100 км по сугробам, забыл почистить, запихал молотком русский патрон с половиной нормы пороха и т.п.
One shot, one kill, no luck, just skill.
						- voronin-ptz
- Матерый охотник
- Сообщения: 814
- Зарегистрирован: 26 авг 2010, 12:50, Чт
- Оружие: MP18, Remington 700
- Любимый вид охоты: Птица
- Имя: Игорь
- Откуда: Петрозаводск
Re: Выбор типа нарезного оружия (полуавтомат, штуцер, болт)
Если внимательно присмотреться, то количество деталей разное. А если вспомнить сколько деталей нужно снять и сколько действий нужно сделать для чистки каждого варианта, то разница будет очевидной.На первой,взрыв-схема СКСа и целая куча деталей, аж 34 штуки!
На второй, взрыв-схема Мосинки. И о ужас! Тоже 34 детали!
Если сидеть на берегу реки и долго ждать, течение рано или поздно пронесет труп твоего врага
						- Александр Ш
- Охотовед
- Сообщения: 3844
- Зарегистрирован: 02 мар 2011, 21:14, Ср
- Оружие: разное - 8 стволов на 5 единиц
- Собака: сейчас нет
- Любимый вид охоты: на носорогов
- Откуда: Петрозаводск
Re: Выбор типа нарезного оружия (полуавтомат, штуцер, болт)
Дак 3 всего. Если личину за одну деталь считать.fotohunter писал(а):
. А вот калашмоиды... Сколько там подвижных деталей?
One shot, one kill, no luck, just skill.
						- Александр Ш
- Охотовед
- Сообщения: 3844
- Зарегистрирован: 02 мар 2011, 21:14, Ср
- Оружие: разное - 8 стволов на 5 единиц
- Собака: сейчас нет
- Любимый вид охоты: на носорогов
- Откуда: Петрозаводск
Re: Выбор типа нарезного оружия (полуавтомат, штуцер, болт)
Офигенная проблема-потратить на чистку не 10 минут а 15! При том,что некоторые экземпляры чистятся 1-2 раза в год.voronin-ptz писал(а):сколько деталей нужно снять и сколько действий нужно сделать для чистки каждого варианта, то разница будет очевидной.

One shot, one kill, no luck, just skill.
						- Reanimatolog
- Модератор форума "Охота в Карелии"
- Сообщения: 14776
- Зарегистрирован: 14 сен 2010, 13:56, Вт
- Оружие: копьё, рогатка и палица
- Собака: теперь только на себя надежда
- Любимый вид охоты: С ручной лисой на лося, рябчика на тяге, кабана на вабу.
- Имя: Борис
- Откуда: Петрозаводск
Re: Выбор типа нарезного оружия (полуавтомат, штуцер, болт)
Ну, в общем без меня всё расписали.
 
			
			
									
									
						
- Reanimatolog
- Модератор форума "Охота в Карелии"
- Сообщения: 14776
- Зарегистрирован: 14 сен 2010, 13:56, Вт
- Оружие: копьё, рогатка и палица
- Собака: теперь только на себя надежда
- Любимый вид охоты: С ручной лисой на лося, рябчика на тяге, кабана на вабу.
- Имя: Борис
- Откуда: Петрозаводск
Re: Выбор типа нарезного оружия (полуавтомат, штуцер, болт)
Почему-то в последнее время я всё больше склоняюсь к тому, что в хозяйстве калибр 9,3 мм должен быть в полуавтомате.
			
			
									
									
						- Александр Ш
- Охотовед
- Сообщения: 3844
- Зарегистрирован: 02 мар 2011, 21:14, Ср
- Оружие: разное - 8 стволов на 5 единиц
- Собака: сейчас нет
- Любимый вид охоты: на носорогов
- Откуда: Петрозаводск
Re: Выбор типа нарезного оружия (полуавтомат, штуцер, болт)
А вдруг война?ORA писал(а):Почему?

One shot, one kill, no luck, just skill.
						



